Troubleshooting car electrical problems can be frustrating and even be intimidating sometimes, especially for beginners. You know when you start but you never know when you’ll be done. As time is one of the main profit factors of an auto repair shop, it must be invested with discernment. If you are a rookie auto mechanic yourself, using a systematic approach will help you speed up the whole electrical troubleshooting process so you can fix most electrical problems as quickly as possible. You will, of course, need a lot of practice to master this skill but following a general troubleshooting procedure will definitely give you a good headstart.
A multimeter allows for multiple types of electrical measurements with a single device. It fulfills the role of a Voltmeter, an Ammeter, and an Ohmmeter, all at the same time. Among other things, it is used to measure the voltage of a DC or AC current, to test electrical resistances or electrical components and to measure amps inside electrical circuits. It is commonly used to test potential electrical problems and components as well as to perform various repairs.
A standard multimeter can also integrate many other functions like measuring the frequency of electrical signals, voltage peaks, the temperature of the circuit, etc.
A test light is nothing more than a voltage probe with a visual indicator lighting up when the metal tip touches a power source. A test light can only test for power, ground and continuity and only works based on a binary system. It won’t give you an exact reading of the voltage in a system like a multimeter would but instead a 1 or 0 value letting you know if there’s power on not in the circuit. Nothing more, nothing less.
Newer test light models often feature two clips connecting to both battery terminals. Whenever the metal probe touches the tested pin, the indicator will light up red or green depending on whether the source is positive or negative.
Jumper cables are often homemade electrical wires with 2 clips soldered to both ends. They are used to quickly provide a circuit with power or ground for testing purposes and to easily bypass suspected short to ground wirings or faulty components.
These are pretty inexpensive and quite useful. In the beginning, you’ll frequently have to make jumper cables of different lengths and sizes to accommodate the different task you want to perform. After some years in the field, you’ll have so many of them you’ll need to dedicate a whole drawer in your tool chest only for jumper wires.
Scan tools are frequently of great help when it comes to diagnosing more complex electrical problems. The live data feature can let you know if an electrical actuator is supposed to be engaged when it’s not and if input is coming into a specific module in a glimpse. The possibility to activate specific circuits and perform special tests is also a must.
As a general rule, one could say that the best OBD2 scan tools with the most interesting features are usually the most expensive ones too. Luckily, because of the recent development in technology, you can now find a pretty good OBD2 scan tool even on a low budget.
With time, every mechanic will gradually develop its own troubleshooting procedure. Until then, using a general troubleshooting procedure will help you get there and learn what works best for you at the same time.
The most important steps are:
Customers don’t always provide an accurate and detailed description of the problem at hand. If a driver notices a problem in the lighting system of his vehicle, he will usually indicate that “a light bulb doesn’t work”. This kind of description really does not say much about the nature of the problem. It is therefore essential to check the whole lighting system to find out which lighting device is not working before everything else.
You might even discover that more than one light bulb is at fault, which would eliminate the bulbs from the probable causes and would lead you to suspect a problem in the ground distribution system for example. The whole right side of the lighting system could also be down, letting you know that something controlling that side may need to be inspected.
It’s also important to investigate to see if the problem is present at all time or intermittent. Finding the source of an electrical problem is hard enough without having to perform tests on a circuit while everything is in good working condition. Sadly, in the case of an intermittent problem, there’s not much to be done. It’s almost impossible to locate a faulty component when the problem is not present.
In the case of an intermittent problem, it is strongly suggested that you ask your client as many questions as possible. Since the faulty circuit can’t be physically tested, collecting as much information as you can is crucial to understand which system and what component to suspect first.
Now that you have some basic information about the problem and understand how the vehicle is misbehaving, you should be able to have a good idea of where to look first and some of the probable faulty components.
Write down a list of the most likely culprits and keep it within reach. Your hypothesis doesn’t have to be 100% right all the time and you shouldn’t feel tied down by it. Its purpose is only to give you a starting point for the troubleshooting process. As you gain experience, you’ll learn to pose better hypotheses which should allow you to skip some steps and jump right down to where the problem is most likely located right away.
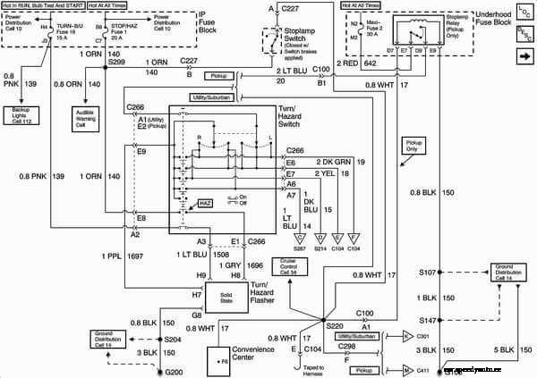
Before starting any kind of troubleshooting on an electrical system, get your hands on your car’s repair manual and find out the wiring diagram corresponding to the system concerned. Having access to electrical diagrams to perform your test is a definite advantage and is not to neglect.
Learning how to read car wiring diagrams will help you quickly locate connectors, fuses, and numerous other test points as well as to understand how the circuit is built, how it’s doing its job and the main components at play. You can still troubleshoot electrical problems without a wiring diagram but you’ll have to remove more unnecessary trims to follow the wires and perform your test as you go.
If you are lucky enough to work at a car dealer or an auto repair shop having access to Technical Service Bulletins, make sure to put them to use. TSBs are files created by the car manufacturers containing know problems and their quick fixes to help you speed up the troubleshooting part. Dealers have access to large vehicle data banks and are able to identify repeating patterns in the repairs performed on car models. Each bulletin released is related to a distinct problem on a specific vehicle and includes information on what should be tested, in what order and what you’ll have to do to fix it. They contain really valuable information so always remember to take a minute and check the availability of TSBs for the car you are working on.
If the electrical problem is permanent and related to a particular circuit, start by performing a visual inspection of the circuit in question. The cause of an electrical problem is sometimes obvious and performing a visual inspection could save you some precious time.
The main elements to visually inspect, depending on the electrical circuit involved, are:
If the problem is intermittent, check the electrical sub-circuits of the circuit in question for:
This one is pretty obvious but is also often overlooked by beginner auto mechanics and even full-fledged technicians from time to time. Make sure that the battery is fully charged before testing anything else.
If a customer’s complaint is that the lights are dimmed, the problem could be related to a faulty alternator instead and mislead you into suspecting an electrical problem.
Battery problems are one of the main causes of electrical failures. If the battery is not in good working condition, it simply can’t deliver the power needed by the car accessories and the whole engine management system. A failing battery or charging system will frequently cause weird, unusual and intermittent problems. Be aware of that.
9 out of 10 times your troubleshooting will stop right there. The cause of an electrical problem is most frequently the main component of the system.
For example, if the LR (Left-Front) blinking light stops working, the light bulb is most likely burnt. If the RF window stops going up or down, there’s almost 90% chance that the RF power window regulator is at fault. If it’s not, the culprit is most likely the second most important component, namely the power window main switch.
This is only a general rule and of course, you shouldn’t just replace a component without testing it first. You still need to make sure the problem doesn’t come from somewhere else like a broken power wire or a blown relay.
The quickest way to test an electrical motor is by elimination. Take out your multimeter and make sure there are power and ground coming into the suspected part’s connector. If the motor has power and ground, there’s no reason it shouldn’t be turning and it will need to be replaced. If you get no voltage reading or bad ground wire, the problem is somewhere else.
Inspect the other components of the system you are having problems with. Internal components problems are simply more frequent than cut wires and short to ground conditions. Never forget that the ignition switch, fuse wires, fuses, circuit breakers, switches, switches, and splices should be considered as sources of secondary problems and should always be checked right after the main component.
If there’s no power coming to the motor, the next step is to check the fuses. Electrical systems are divided into sectors, and each sector has a fuse protecting it against overloads.
The fuse consists of a lead wire placed on a support and integrated into the input circuit of the sector. Lead is a metal that heats up easily when the current passes through and quickly melts and cuts off the current in the sector instantly in case of overload.
A blown fuse is often a consequence of an electrical problem and rarely the cause of it. Make certain that you find what caused the fuse to blow in the first place before replacing it or it will simply blow again.

Locate the fuse protecting the electrical circuit on your car wiring diagram. A number or code next to it should indicate where it’s found on the vehicle.
Use the fuse removal tool provided with the fuse box to easily remove the fuse and inspect it. If you notice a black spot or if the lead wire looks like its cut in half, the fuse is definitely blown and needs to be changed.
To test a fuse using a multimeter, select the continuity test or resistance mode. Try to touch both positive and negative probes together and note down the value displayed on the multimeter. Different multimeters will display different codes or sounds to indicate continuity or an Open Loop condition.
Place the probes of the multimeter on the two metal blades at the back of the fuse. If a beep is heard or some resistance reading is displayed, the fuse is still good. On the other hand, if it doesn’t beep or “OL” appears on the multimeter, the fuse is defective and will need to be replaced.
A test light is the best tool to use for fuse testing. In fact, a test light typically can’t tell you anything else than if there’s power or not. No voltage reading is available but when the time comes to test a fuse, that’s all we need.
With the ignition key turned on, connect the test light clip to the negative terminal of the battery and alternatively touch the fuse’s metal blades with the probe. If the fuse is blown, the test light will light up only when touching one of the two metal blades.
Simple as that!
Now that you know for sure that the main component of the system is okay and that the fuse is good, you’ll need to perform more test to isolate the source of the problem. The easiest way to do that is to divide the circuit into simpler elementary circuits. This operation can be done in two ways. Physically, by opening connectors for example, or mentally, using your car’s wiring diagram as a reference. The second method will save you the most time for two reasons: first, the electrical diagram allows to separate the complex circuits into simpler circuits without having to physically touch or disassemble anything on the vehicle. Secondly, you’ll be able to perform certain diagnostic operations mentally and to eliminate large parts of the circuit from the possible suspects simply by using your logic and basic deductions. Having to use equipment to perform all the tests physically would take a long time considering you sometimes need to remove numerous trims and accessories to reach specific connectors.
The key here is to eliminate a good part of the circuits and to concentrate the research on the subcircuit which could be at the source of the problem. Since the problem is not the motor, nor the power source, the faulty component can only be located in two places: between the motor and the power source or between the motor and the ground.
Depending on the results of the test you’ve performed so far, you are now looking to find why either the power or ground is not being measured at the connector. If there’s no 12v to the connector, inspect the circuit ahead of the motor. Start with the power distribution center or just after the fuse. Follow the wire and test it at every connector along the way until you find one with no power.
Same thing for the ground but in the opposite direction. Inspect the system wiring diagram and find the location of the ground for this motor. Remove the trims, follow the ground wire and inspect it for damages as you go.
This one is pretty self-explanatory. Once you have found the cause of the electrical problem, you can then formulate a diagnostic with confidence in mind and repair the whole thing.
In the case of a burnt component, make sure you clearly understand what caused it to burn in the first place before you replace it. Failure to do so could result in the component blowing up again the moment you plug it back in. If there’s a short on the wire or a skinned ground wire is touching another 12v power source, the current could instantly ruin expensive internal electronic elements. Only reinstall the new part once you have repaired the problem.
Never forget to confirm the repair before putting the car back on the road. Nothing is more frustrating than dedicating hours into troubleshooting a faulty radiator fan, taking the car out for a drive right after you have replaced the fan relay only to find yourself stranded on the side of the road with an overheating engine minutes later and in need of a tow truck.
Electrical problems can sometimes be intimidating and somewhat daunting at first. Rest assured, with the help of your vehicle’s repair manual and some basic electrical troubleshooting knowledge, everybody should be able to find and fix most electrical problems in no time. When in doubt, never hesitate to ask a certified mechanic for help. Tapping into the expertise of a more knowledgeable technician will often save you time and money as well as teach you some important tips and tricks of the trade.