The 6.4L Powerstroke engine uses a fuel injector called a Piezo stack injector.

Piezo wafers expand when voltage is applied to them. Even so, the total expansion of many wafers stacked together is only a few thousandths of an inch. Instead of forcing open the fuel injector nozzle, the wafer stack is used to control fuel flow inside the injector. Unlike a typical solenoid-driven or HEUI-style injector, a Piezo stack injector can operate at very high speeds (0-400 micro seconds), allowing multiple injection events per engine cycle.

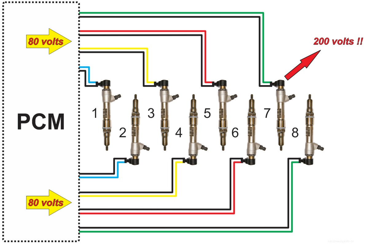
The PCM directly supplies the fuel injectors with the 80 volts required to operate, so there’s no external injector driver module of any kind (similar to the 6.0L engine with a FICM). After an injector fires, the fly-back voltage to the PCM can exceed 200 volts.
High-pressure fuel from the rail is applied to both sides of the needle control chamber of the injector. When the Piezo stack is energized by the PCM, the wafers expand and push down on a control valve piston, allowing the high-pressure fuel on the upper side of the needle control chamber to vent through the return passage. The creation of large pressure differential across the needle control chamber opens the injector nozzle.
A soft steel washer is used at the injector’s sealing tip to prevent combustion gasses from entering the fuel system. An O-ring is used above the return port to prevent fuel from leaking into the cylinder head and crankcase. Both seals are replaceable and should be replaced any time an injector is removed and reinstalled.
Like on the 6.0L engine, properly clamping down the fuel injectors on the 6.4 engine is critical. If the injectors are not fully seated, combustion pressure will leak past the
injector seal and into the low-pressure fuel system. Typical symptoms include rough idle, misfire, surging, or a combination of the three. Before installing the clamping bolt, be VERY sure that the bolt hole is dry.
If one of the injectors leaks, the fuel will enter the crankcase and raise the oil level. To check for excess oil, you can “short stick” the oil dipstick. Simply insert the dipstick partway until the bottom edge of the handle contacts the top of the dipstick tube. To see how you can use oil level for diesel diagnostic aid, watch our Installation Spotlight video.
Dye can also be added to the fuel to locate leaking injectors. Make sure you use the approved dye, follow the service procedure, and take necessary precautions when performing this test.